(2006) suzuki ls 650 p savage ~ wiring diagram


Pin on electrical and ignition. motorcycle parts and accessories. Bedrading suz motorfietsen. Diagrama suzuki dr650 usa. Ls650 c90 vl1500 s40 intruder tail diagrama gs1000 ignition cmelectronica bobber vl800 vl classd wiringg
Usb Mouse Wiring Diagram - Search Best 4K Wallpapers
Suzuki Motorcycle 1973 OEM Parts Diagram for Electrical - 2 | Partzilla.com
LS650PK3 E2 2003 SAVAGE 650 MOTO Suzuki motorcycle # SUZUKI MOTORCYCLES
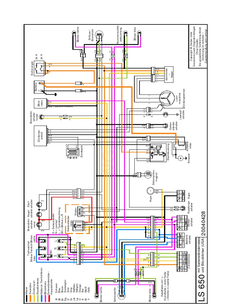
Savage 650 Wiring Diagram - Complete Wiring Schemas
Diagrama suzuki dr650 usa
