Cpu Wiring Diagram 12 Volt Pin On Power Supply
Interposing relays automation 24vdc npn acc

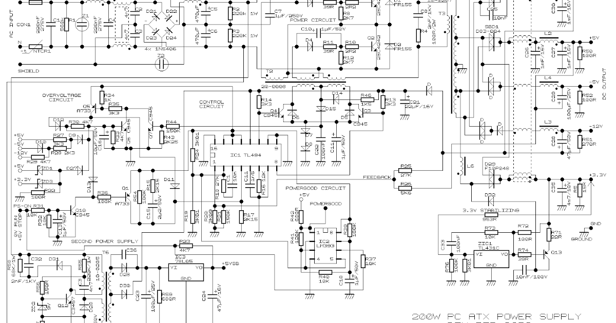
Diagram supply power schematic computer smps circuit atx repair schematics using mosfet pc jvc tv values missing supplies tl494 circuits. Jmc/datech db9733-12hbtl wiring diagram. Pin on power supply. Simple 200w atx pc power supply wiring diagram schematic















