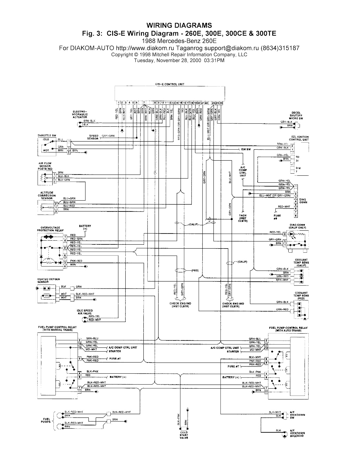
Mercedes Benz Wiring Diagram 620 Mercedes Wiring Diagrams, Technical Schematics Etc
Benz mercedes disassembly tranining assistant threads

Mercedes-benz s550 4matic 2009 w221 owner's manual (616 pages), page. Benz mercedes disassembly tranining assistant threads. Mercedes-benz s550 4matic 2009 w221 owner's manual (616 pages). Mercedes-benz s550 4matic 2009 w221 owner's manual (616 pages), page
1976 Mercedes Wiring Diagrams - diagrams.net license




![[Mercedes-Benz Tranining] Mercedes Benz Disassembly Assistant | Auto](https://www.autorepairmanuals.ws/arm/data/attachment-files/2015/03/4879_d9c92b4662e90a565e97bec50668a180.jpg)










